




SPÉCIFICATIONS
MODEL:METRO 120 ERVD-ECMTENSION:120 VFRÉQUENCE:60 HzPHASE:N/AACTUEL:1.4 ADÉBIT D'AIR ÉLEVÉ:114 PCMPOIDS EN LB:37 lbDRAIN:NonGARANTIE:Les unités bénéficient d'une garantie de 5 ans sur le noyau ERV et d'une garantie de 5 ans sur les pièces de rechange
LIFEBREATH
METRO 120 ERVD-ECM
Ventilateur récupérateur d'énergie
- 114 PCM @ .3″ p.g / 74% (SRE) à 49 PCM et 0 ° C (32 ° F)
- Conçu pour les copropriétés de grande hauteur, les appartements et maisons en rangée à local technique limité
- Moteurs ECM à haut rendement
- Petit format, faible hauteur de 9 3/4 po, montage en cloison ou en faux-plafond
- Plage de débit (pcm) flexible
- Supports inclus pour une installation facile
- Aucune évacuation de condensat
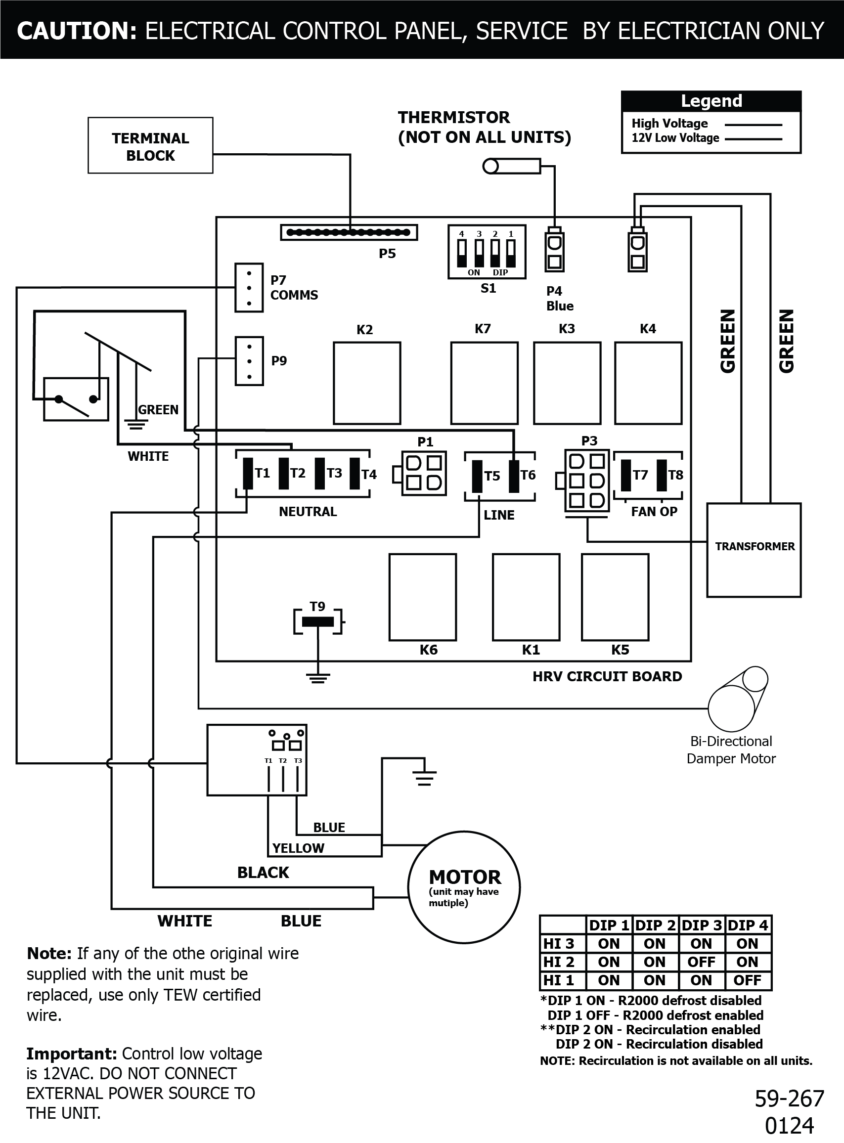
- Couvercle à bascule pour un accès rapide à la carte de circuit imprimé et aux commutateurs DIP
- Moteur et composants électroniques amovibles pour faciliter la maintenance et l’entretien
- Porte pratique sur charnières – sans vis
- Configuration câblée disponible
