



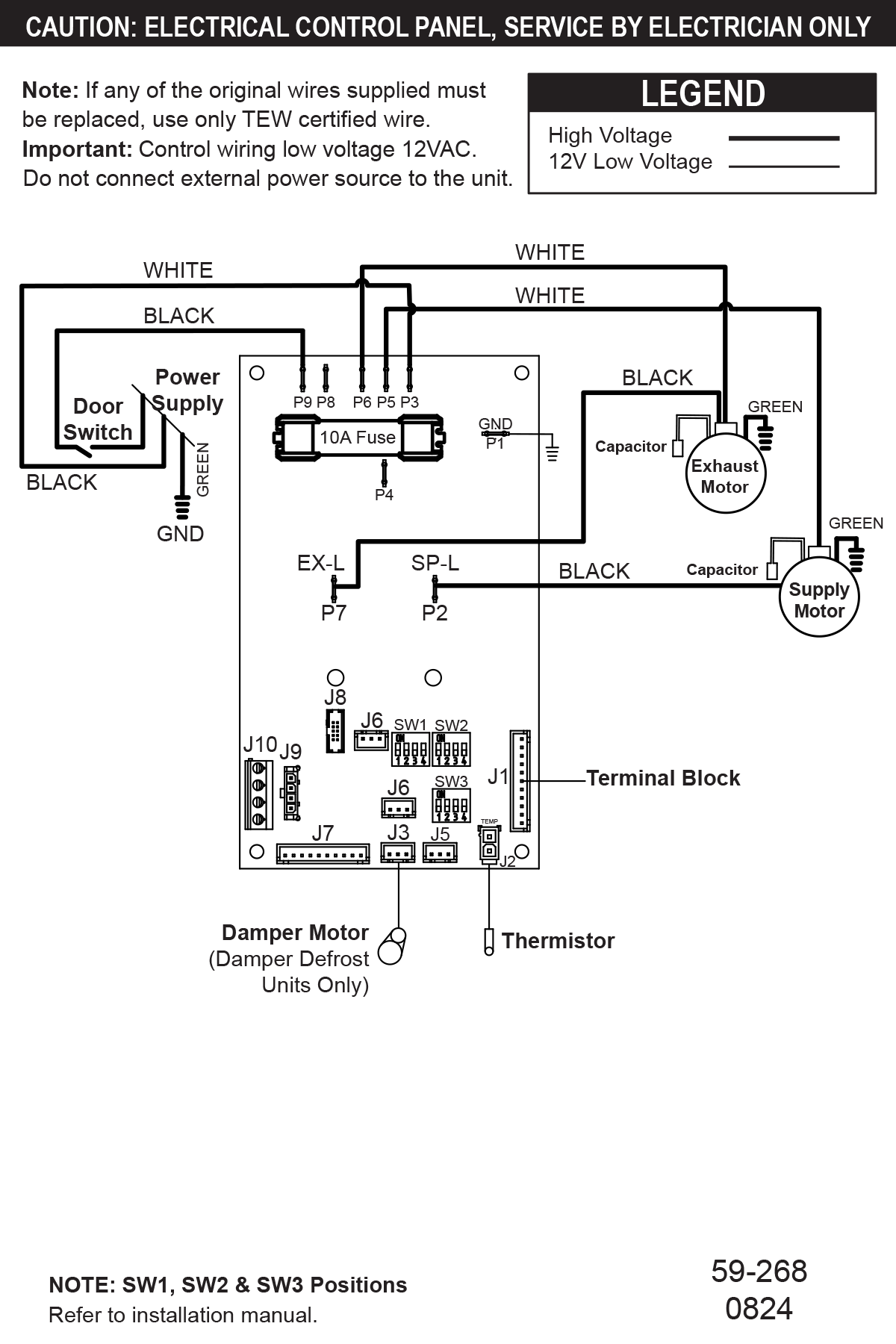
SPECIFICATIONS
MODEL:METRO 120FVOLTAGE:120 VFREQUENCY:60 HzPHASE:N/ACURRENT:1.4 AAIRFLOW HIGH:136 CFMWEIGHT:37 lbDRAIN:YesWARRANTY:Units carry a lifetime warranty on the HRV core and a 5 year replacement parts warranty
LIFEBREATH
METRO 120F
Heat Recovery Ventilator
- 136 CFM @ .3″ w.g / 71% (SRE) at 47 CFM and 0°C (32°F).
- Designed for high-rise condos, apartments and townhomes with limited mechanical space
- Fan Defrost
- Low profile, fits in bulkhead and drop ceilings
- Brackets included for easy install
- Aluminum HEX Core for superior heat transfer
- Multi-positional drain
- Removable motor and electronic assembly for easy maintenance and service
- Swing open e-box cover for quick access to circuit board and DIP switches
- Convenient hinged door – no screws